Skema Pemantik Elektrik Kompor Gas
Kompor gas seri 1A dari Winn Gas ini dapat dipakai untuk kegiatan masak-memasak di pegunungan. Hingga nantinya proses memperbaiki pematik api kompor gas bisa berjalan lancar.
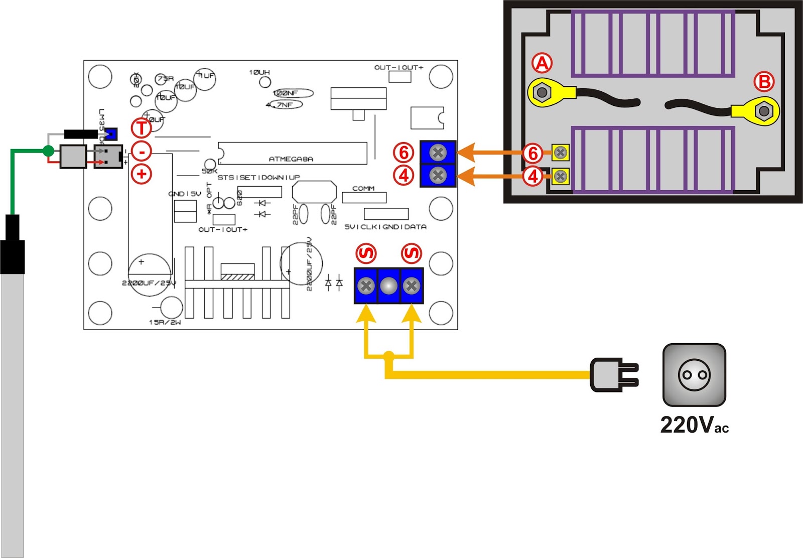
Skema Pemantik Kompor Gas Elektrik Komporkita
Harga Modul Pemantik Pemanas Air GAS Water Heater Pulse Ignition Modena.
Skema pemantik elektrik kompor gas. Beli Pemantik Elektrik Kompor Gas Online berkualitas dengan harga murah terbaru 2021 di Tokopedia. Harga Korek lighter api pemantik kompor gas electric Elektrik gas igniter. Wh tersebut sangat membantu dalam keseharian keluarga kami apalagi bila musim dingin tiba mandi air.
Pematik kompor gas tersebut adalah. Yuk jual beli Pemantik Api online dengan daftar harga terbaru June 2021 di Tokopedia sekarang. Dari saluran gas yang menuju ke burner dikarenakan knob telah mendorongnya.
Api yang memancar secara rata dengan tingkat kekuatan yang tinggi akan menjamin kompor tidak mudah mati. Cara Membuat Elektrode Pemantik Elektrik dan Detektor Api Pada Pemantik elektrik dan detektor api diperlukan elektrode istilah awam nya kawat penghantar. Elektrode bisa dibuat dari kawat jemuran tembaga baja tungsten dll yang tentunya disesuaikan dengan kondisi kerjanya.
Ada pemantik elektrik nya. Di sebut juga dengan pematik otomatis yang cukup dengan menekan tombol pematik saja maka api akan menyala. SKEMA SERTIFIKASI SS REVISI TANGGAL HALAMAN.
Jual Beli Pemantik Kompor Gas Quantum Online Terlengkap Aman. Daftar Harga pemantik api Terbaru Juni 2021. Harga PULSE IGNITION AC Pemantik ELEKTRIK Kompor Gas-Pematik AristonModena.
Produk kompor portable terbaik Winn Gas satu ini mempunyai tungku dan badan yang terbuat dari material teflon menjamin bodi kompor lebih lebih tahan lama. Diketahui bahwa fungsi dari pematik kompor gas sebagai penghantar sekaligus pemicu untuk munculnya api dibalik burner. Jujur saja menyulitkan Mamah kalau pas lagi dicuci atau dibersihkan.
Daftar Harga pemantik modena Terbaru Juni 2021. Beli Pemantik Kompor Gas Quantum Online berkualitas dengan harga murah terbaru 2021 di Tokopedia. Kompor Gas Kualitas Quantum Harga Termurah Langsung dari PabriknyaPin 75FB36BFsms 0838-33-8888-77httpkomporgasquantumcucc.
Ada yang tahu tidak penyebab masalah tersebut. Pembayaran mudah pengiriman cepat bisa cicil 0. Blue gaz satu satunya yang memiliki kompor set yaitu kompor gas selang gas regulator tabung.
Jika pematik bermasalah perbaikan segera sangatlah penting agar tidak memicu kerusakan yang semakin parah. Bagi yang menggunakan kompor gas pematik elektrik tentunya tidak asing lagi dengan masalah kompor gas tiba-tiba tidak bisa menyala dan tidak ada suara pematik apinya berbunyi. Saya rasa sebagian udah pada tahu mengapa kompor.
Jual Beli Pemantik Elektrik Kompor Gas Online Terlengkap Aman. Saya rasa sebagian udah pada tahu mengapa kompor tersebut bisa mati total. 4 dari 4 KOMPOR GAS TEKANAN RENDAH JENIS DUA DAN TIGA TUNGKU DENGN SISTEM PEMANTIK 23 Pelaksanaan Pengambilan Contoh.
Pembayaran mudah pengiriman cepat bisa cicil 0. Kompor gas yang sebelumnya dudukan burner nya berbentuk lingkaran. Harga Pematik Pemantik Api Kompor Korek Api Gas.
Mamah sih belum tau apa keunggulan pemantik. Skema Pemantik Elektrik Kompor Gas Saya mempunyai wh gas merk modena yang saya beli sekitar tahun 2011. Pematik Elektrik Kompor Gas Merupakan kompor gas yang menggunakan baterai sebagai penghasil listrik dan nantinya akan mengubah gas yang keluar dari burner kompor menjadi api.
Cek Aneka Rekomendasi Pemantik Api Terlengkap Terbaik Lainnya. Merupakan kompor gas yang menggunakan baterai sebagai penghasil listrik dan nantinya akan mengubah gas yang keluar dari burner kompor menjadi api. PT INTEGRITA GLOBAL SERTIFIKAT SKEMA SERTIFIKASI KOMPOR GAS TEKANAN RENDAH JENIS DUA DAN TIGA TUNGKU DENGAN SISTIM PEMANTIK SNI 74692013 Disiapkan.
Akumulator Pemantik Elektrik Kompor Gas Shopee Indonesia

Pemantik Elektrik Kompor Gas Komporkita
Akumulator 2 Kabel Set Pemantik Kompor Elektrik Set Elektrik Kompor Gas Shopee Indonesia

Skema Pemantik Kompor Gas Elektrik Komporkita

Jual Produk Akumulator Pemantik Kompor Gas Termurah Dan Terlengkap Juni 2021 Bukalapak

Skema Pemantik Kompor Gas Elektrik Komporkita
Akumulator 3 Kabel Elektrik Kompor 3 Tungku Spark Unit Quantum Pemantik Eletrik Kompor Gas Shopee Indonesia

Skema Pemantik Elektrik Kompor Gas Komporkita

Jual Produk Pemantik Elektrik Kompor Termurah Dan Terlengkap Juni 2021 Bukalapak

Alat Pemantik Ver 1 Ignition Driver Ver 1 A Youtube

Skema Pemantik Kompor Gas Elektrik Komporkita

Pemantik Kompor Gas Elektrik Cara Pasang Pemantik Elektrik Kompor Gas Quantum Youtube

Skema Pemantik Kompor Gas Elektrik Komporkita

Cara Kerja Pemantik Elektrik Kompor Quantum Youtube

Skema Pemantik Kompor Gas Elektrik Komporkita

Bayar Ditempat Pemantik Water Heater Gas Pulse Ignition Modul Pematik Pemanas Air Lazada Indonesia
Akumulator Kompor Gas 2 Tungku Akumulator Blue Gas Pemantik Elektrik Kompor Gas 2 Tungku Shopee Indonesia
Rangkaian Pemantik Elektrik Kompor Gas Komporkita

Skema Pemantik Kompor Gas Elektrik Komporkita